Осевые вентиляторы с защитой решеткой
Наличие и цену уточняйте у наших менеджеров.
Осевые вентиляторы с защитой решеткой
Общие сведения
• ТУ 28.25.20-043-54365100-2018
• низкого давления
• внешнероторный электродвигатель со встроенной термозащитой
• лопатки приварены к ротору
• количество лопаток – 5
• крепление статора к защитной решётке
• направление потока от решётки на рабочее колесо
• класс защиты – IP44
• ротор имеет отверстие для отвода конденсата
• ротор установлен на шарикоподшипниках, не требующих обслуживания
• лопатки, решётка и ротор защищены чёрным лаковым покрытием
Назначение
• системы вентиляции производственных, общественных и жилых зданий
• холодильная техника
• другие технологические установки: перемещение воздуха не содержащего липких веществ и волокнистых материалов, с концентрацией пыли и других твёрдых примесей не более 10 мг/м3 .
Условия эксплуатации Климатическое исполнение вентиляторов У2 (температура перемещаемой среды от -30 °С до +60 °С).
• ТУ 28.25.20-043-54365100-2018
• низкого давления
• внешнероторный электродвигатель со встроенной термозащитой
• лопатки приварены к ротору
• количество лопаток – 5
• крепление статора к защитной решётке
• направление потока от решётки на рабочее колесо
• класс защиты – IP44
• ротор имеет отверстие для отвода конденсата
• ротор установлен на шарикоподшипниках, не требующих обслуживания
• лопатки, решётка и ротор защищены чёрным лаковым покрытием
Назначение
• системы вентиляции производственных, общественных и жилых зданий
• холодильная техника
• другие технологические установки: перемещение воздуха не содержащего липких веществ и волокнистых материалов, с концентрацией пыли и других твёрдых примесей не более 10 мг/м3 .
Условия эксплуатации Климатическое исполнение вентиляторов У2 (температура перемещаемой среды от -30 °С до +60 °С).
| Модель вентилятора | Параметры питающей сети, В/Гц | Производительность, М3/час | Полное давление, Па | Частота вращения, об/мин | Потребляемая мощность двигателя, Вт | Ток, А | Габаритные размеры,мм | Масса, кг | Звуковое давление на расстоянии 1м, дБ(А) |
|---|---|---|---|---|---|---|---|---|---|
| ВО-4М300А | 220/50 | 430-1845 | 122-32 | 1380 | 85 | 0,42 | 360х360х146 | 3,0 | 60 |
| ВО-4М350А | 220/50 | 750-2450 | 143-30 | 1400 | 129 | 0,65 | 422х422х163 | 5,0 | 64 |
| ВО-4М400А | 220/50 | 1350-3955 | 125-46 | 1380 | 180 | 0,82 | 450х450х176 | 6,0 | 67 |
| ВО-4М450А | 220/50 | 1250-5365 | 143-52 | 1350 | 250 | 1,15 | 522х522х190 | 8,0 | 69 |
| ВО-4М500А | 220/50 | 1200-7155 | 142-62 | 1320 | 380 | 1,85 | 570х570х183 | 9,0 | 71 |
| ВО-4М550А | 220/50 | 4650-8510 | 138-60 | 1300 | 550 | 2,55 | 622х622х198 | 11,0 | 72 |
| ВО-4М600А | 220/50 | 6265-10040 | 183-58 | 1360 | 700 | 3,2 | 679х679х218 | 14 | 74 |
| ВО-4М630А | 220/50 | 6400-11435 | 200-62 | 1360 | 750 | 3,5 | 750х750х218 | 15 | 75 |
| ВО-4Т560А | Y380/50 | 2930-9100 | 218-63 | 1300 | 600 | 1,2 | 626х626х193 | 11,0 | 78 |
| ВО-4Т630А | Y380/50 | 7825-12420 | 209-74 | 1320 | 800 | 1,6 | 750х750х218 | 15 | 75 |
| ВО-6Т710А | Δ380/50 | 2200-15120 | 222-68 | 900 | 900 | 1,9 | 840х840х246 | 30 | 73 |
| ВО-6Т710А | Y380/50 | 1400-13005 | 121-50 | 730 | 650 | 1,15 | 840х840х246 | 30 | 72 |
| ВО-6Т800А | Δ380/50 | 1000-20695 | 325-79 | 920 | 1200 | 2,85 | 920х920х246 | 35 | 75 |
| ВО-6Т800А | Y380/50 | 1000-17635 | 160-57 | 770 | 930 | 1,65 | 920х920х246 | 35 | 74 |









|
Модель вентилятора |
Размеры, мм | |||||
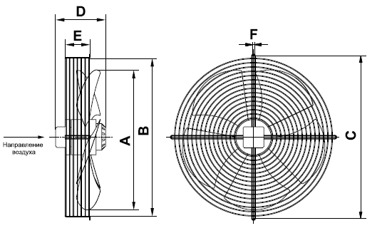
| А | B | C | D | Е | F | |
| BO-4M300A | 300 | 320 | 360 | 146 | 80 | 7 |
| BO-4M350A | 350 | 370 | 422 | 169 | 80 | 9,5 |
| BO-4M400A | 400 | 420 | 450 | 182 | 90 | 9,5 |
| ВО-4М450А | 450 | 470 | 522 | 195 | 90 | 9,5 |
| ВО-4М500А | 500 | 520 | 570 | 189 | 90 | 10,5 |
| ВО-4М550А | 550 | 570 | 622 | 204 | 100 | 10,5 |
| ВО-4Т560А | 560 | 570 | 626 | 204 | 100 | 10,5 |
| ВО-4М600А | 600 | 620 | 679 | 224 | 100 | 10,5 |
| ВО-4М/Т630А | 630 | 650 | 750 | 230 | 100 | 10,5 |

| Модель вентилятора |
Размеры, мм |
||
| А | В | С | |
|
ВО-6Т710А |
Ø703 | Ø770 | 840 |
|
ВО-6Т800А |
Ø784 | Ø857 | 920 |
Для покупки выбранного товара в Ростове-на-Дону достаточно оформить заказ одним из предложенных способов:
- Выбрать понравившийся товар и нажать кнопку «Заказать». При оформлении заказа заполнить форму. Вписать информацию в поля: ФИО, телефон и e-mail. Затем вам перезвонит менеджер, чтобы подтвердить ваше согласие на совершение покупки.
- Выбрать понравившийся товар и нажать кнопку «В корзину». Затем перейти в корзину и нажать «Оформить заказ». Далее заполнить форму с контактными данными и отправить заявку. С вами свяжется менеджер для дальнейшего обсуждения.
Оплата
Мы работаем с физическими и юридическими лицами. И предоставляем сразу два варианта оплаты.
- Наличные. Вы подписываете товаросопроводительные документы, расплачиваетесь денежными средствами, получаете товар и чек.
- Безналичный расчет. Принимаем карты Visa и MasterCard. Доступен при курьерской доставке.
Доставка в Магасом
Можем доставить ваш заказ собственными ресурсами. Либо через варианты доставки:
- Доставка транспортной компанией. Специалист предложит выбрать удобное время доставки и уточнит адрес.
- Самовывоз со склада. Для получения заказа обратитесь к сотруднику в зоне выдачи и назовите номер.
